欢迎访问,得锐自动化-OMAL国内总代理!

全国服务热线: 0755-23602620

OMAL商城

技术文章

进口电动执行器的接线图

作者: 得锐自动化:OMAL全国指定授权总代理发表时间:2019-06-24 09:03:17浏览量:4008

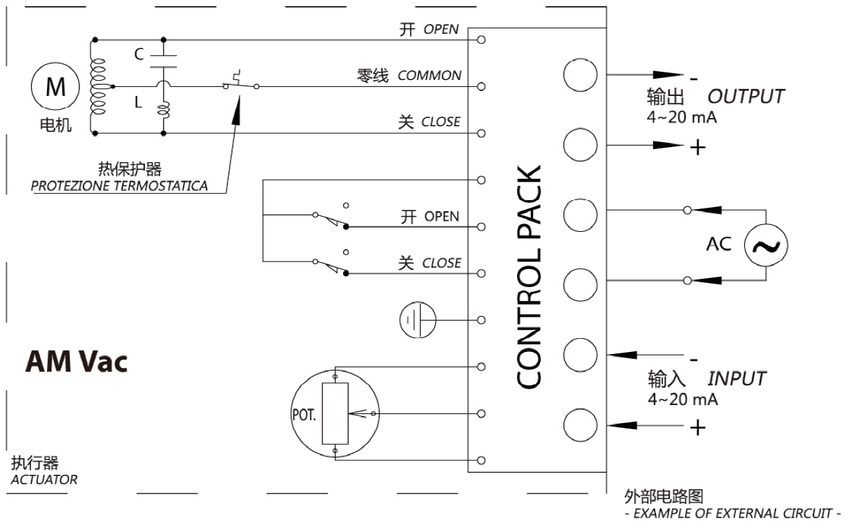
进口电动执行器以AC220单相交流电为电源,接受来自DCS、PLC系统和其他操作器的DC4~20mA,标准信号来控制执行器进行开关阀门或自动调节。那么进口电动执行器又该怎么接线?以得锐自动化公司的OMAL电动执行器开关...

    进口电动执行器以AC220单相交流电为电源,接受来自DCS、PLC系统和其他操作器的DC4~20mA,标准信号来控制执行器进行开关阀门或自动调节。那么进口电动执行器又该怎么接线?以得锐自动化公司的OMAL电动执行器开关型和调节型为例。

 

    进口电动执行器调节型:

    交流电源的标准接线图

进口电动执行器

    进口电动执行器开关型:

    交流电源的标准接线图

进口电动执行器

 

    直流电源的标准接线图

进口电动执行器

2019-06-24 4008人浏览
版权所有©2025 深圳市得锐自动化设备有限公司  粤ICP备17008656号  免责声明  网站地图   技术支持:得锐自动化